您好!欢迎访问北京莱普科技有限公司官方网站!
中文  |  英语
专注于集光学、精密机械、电子、软件技术
为客户提供位移系统定制服务
联系方式
全国咨询热线:
010-80501953

产品详情

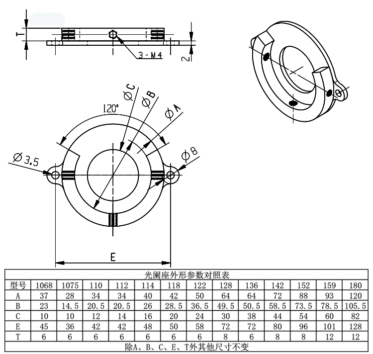
LPMDM系列变径光阑座
应用于对安装可调光阑的光阑座
在线咨询
  • 产品详情
    ● 光阑座配合手动光阑使用,安装固定方便
    ● 3个M4螺纹孔位便于固定
    ● 光阑座120°范围可调

    莱普科技可调光阑叶片数量多,孔径圆滑,连续可调,外形美观,使用方便。
    在光学实验中经常需要点光源或控制通光量,可选用莱普科技可调光阑实现对
    孔径连续可调,以达到实验中需要的目的效果