您好!欢迎访问北京莱普科技有限公司官方网站!
中文  |  英语
专注于集光学、精密机械、电子、软件技术
为客户提供位移系统定制服务
联系方式
全国咨询热线:
010-80501953

产品详情

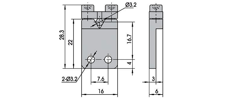
LPMFH3光纤卡具
主要用于装卡光纤
在线咨询
  • 产品详情
    ● 开放式V形卡槽,装取方便  自重 8g
    ● 配合LPMB21底板和LPIM0305双轴倾斜台使用,可进行光纤的多维调整
    ● 用于装卡光纤,配合光纤耦合器使用,也可用度单独装卡光纤 
    ● 装卡简单,有效保护光纤损伤
    光纤卡具主要用于装卡光纤,在光纤技术研究和相关器件生产过程中,光纤耦
    合是必不可少而又烦琐的工作。LPMFC系列光纤耦合器可提供对光纤的五个自
    由度调整,能快速精确地完成耦合,获得最佳耦合效果。